尊龙凯时

    MKD61系列 (6通道 气/气电一体 旋转接头/滑环)
    MKD61系列 (6通道 气/气电一体 旋转接头/滑环)
    • · MKD61系列6进6出,端面走气,气/气电组合旋转接头,气动滑环,旋转气接头, 带G1/8"牙
    • · 且可选同时顺利获得功率动力线,信号线,工业总线,控制线,
      电磁阀,感应线等
    • · 气动滑环和旋转气接头标准为法兰安装形式
    • · 能顺利获得的介质有: 压缩空气,真空等气体

    典型应用:

    此款气动旋转接头是一款扭力小,性价比超高的旋转接头(也叫气滑环或者气电), 速度最大可达600RPM, 可单独传输压缩空气,真空负压的同时,也同时能够传输电源信号,主要应用于360度陆续在旋转且需要保证气压,真空,电源,信号不能中断的场合:如各种自动化非标设备,锂电池设备,手机测试设备,手机高端装备设备,各种激光设备,涂布机 、涂覆隔膜设备 、软包电池用包装膜设备,邦定设备 、贴合设备,电子半导体工业自动化设备;光电平板显示(LCD/LCM/TP/OLED/PDP)工业自动化设备、检测设备、其他自动化非标专业设备等等。

    技术规格参数
    旋转气接头部分技术指标机械技术指标
    参数数值参数数值
    通道数6进6出, G1/8"工作寿命1000万转以上
    最大压力1MPa (可定制高压),真空 0.01torr额定转速500RPM
    扭矩与接口尺寸相关,详见选型表工作温度-30℃~80℃
    电气技术指标工作湿度0~85% RH
    参数数值接触材料贵金属
    功率信号壳体材料铝合金
    额定电压0~240VAC/VDC0~240VAC/VDC防护等级IP51
    绝缘电阻≥500MΩ/500VDC≥500MΩ/500VDC
    导线规格AWG17#镀锡铁氟龙AWG22#镀锡铁氟龙
    导线长度标准长度300mm(可据要求调整)
    绝缘强度500VAC@50Hz,60s
    动态电阻变化值<0.01Ω



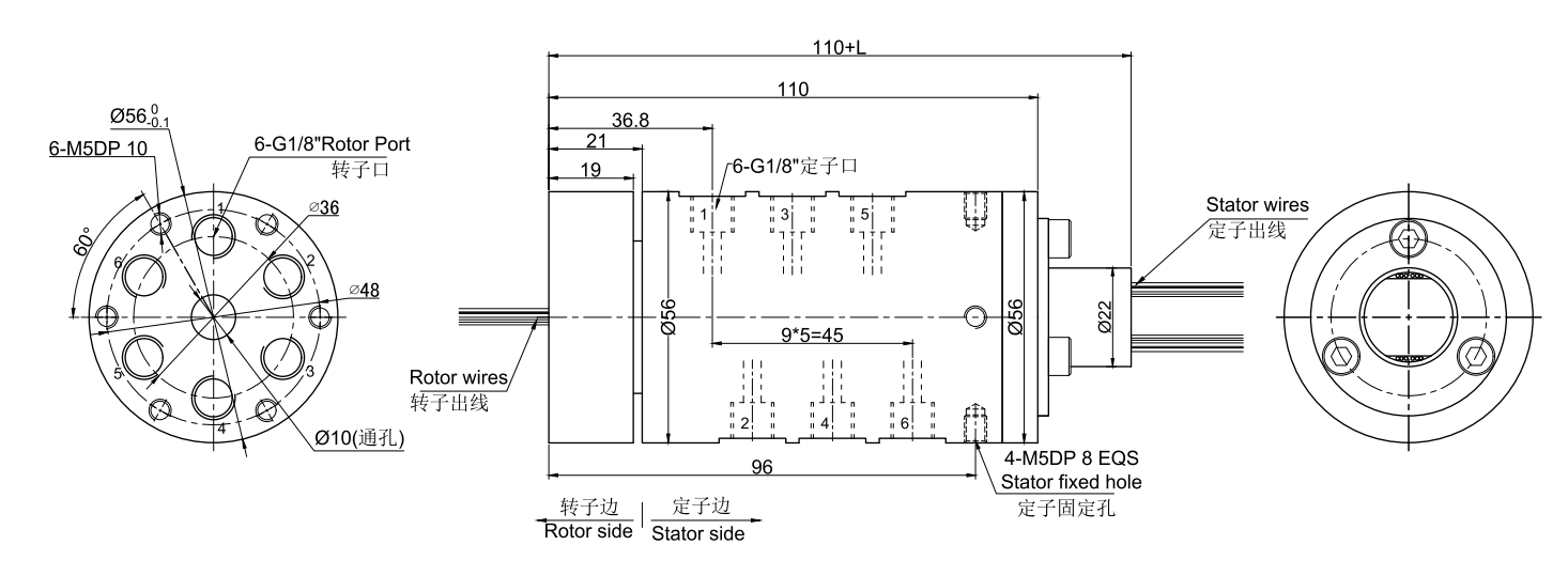
    MKD61(纯气动旋转接头) 尺寸图 6进6出G1/8"牙


    选型表
    型号气体通道接口尺寸可适应气管
    MKD616G1/8"6-8mm


    MKD61S-S12(S18,S24,S36) 尺寸图 6进4出G1/8"牙+12~36路信号(2A)


    选型表
    型号气体通道接口尺寸可适应气管信号或者2AL(mm)
    MKD61S-S124G1/8"6~8mm1222.5
    MKD61S-S184G1/8"6~8mm1829.5
    MKD61S-S244G1/8"6~8mm2440.1
    MKD61S-S364G1/8"6~8mm3653.8


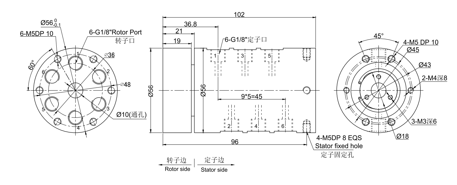
    MKD61S-S56 尺寸图 6进6出G1/8"牙


    选型表
    型号气体通道接口尺寸可适应气管信号或者2A
    MKD61S-S566G1/8"6~8mm56


    MKD61-PXX-SXX 尺寸图, 6进6出G1/8牙 + 信号(5A)/10A


    选型表
    型号气体通道接口尺寸可适应气管10A信号(5A)L(mm)
    MKD61-P06104G1/8"6~8mm6038
    MKD61-S064G1/8"6~8mm0638
    MKD61-P12104G1/8"6~8mm12054.8
    MKD61-P0610-S064G1/8"6~8mm6654.8
    MKD61-S124G1/8"6~8mm01254.8
    MKD61-P18104G1/8"6~8mm18071.5
    MKD61-P0610-S124G1/8"6~8mm61271.5
    MKD61-P1210-S064G1/8"6~8mm12671.5
    MKD61-S184G1/8"6~8mm01871.5
    MKD61-S244G1/8"6~8mm02488.4
    MKD61-P0610-S184G1/8"6~8mm61888.4
    MKD61-S304G1/8"6~8mm030105.2
    MKD61-S364G1/8"6~8mm036125

    备注:10A和信号(5A)可以任意组合,详情请咨询客服。

    同系列更多产品参考:
    获取产品3D图纸
    X

    经过多年的经验积累,尊龙凯时拥有20万多个产品3D图档数据库,
    由于互联网的开放性和同行竞争,需要产品3D图档的客户请留下电子邮箱或者QQ。

    审核完联系方式后,我们的系统将在5分钟内把3D自动发动到您的电子邮箱!