尊龙凯时

MPCB038C系列 PCB滑环
MPCB038C系列 PCB滑环
  • · MPCB038C系列超薄盘式滑环,创新性使用PCB基材,最薄可达8mm,采用超硬镀金处理,超厚铜箔工艺,最大电流可达10A, 定子线和转子线对应使用彩色导线,简化了安装和连接。

典型应用:

工业机器加工中心、旋转工作台、重型设备塔台、电缆卷盘、包装设备、磁性离合器、工艺控制设备、旋转传感器、紧急照明设备、机器人、展览/显示设备、医疗设备、旋转门等;

型号订购说明:

产品等级表
产品等级代号最高转速工作寿命接触材料
VC(通用级)100RPM1000万转贵金属
VD(工业级)300RPM3000万转镀金-镀金

技术规格参数
机械技术指标电气技术指标
参数数值参数数值
工作寿命参考产品选型等级功率信号
额定转速参考产品选型等级额定电压0~220VAC/VDC0~220VAC/VDC
工作温度-30℃~80℃绝缘电阻≥500MΩ/240VDC≥500MΩ/240VDC
工作湿度0~85% RH导线规格AWG18#硅胶线AWG24#硅胶线
接触材料参考产品选型等级导线长度标准长度300mm(可据要求调整)
壳体材料铝合金绝缘强度100VAC@50Hz,60s
转动扭矩0.05N.m;+0.03N.m/6路动态电阻变化值<0.01Ω
防护等级IP40


MPCB038C系列滑环选型表
型号10A信号或5A总环数
MPCB038C-P0610606
MPCB038C-P121012012

注:N个10A 电流环并起来可作为1路N*10A电流环使用;比如: 2环10A 并起来做作为 1路20A 使用。
10A和信号(5A) 可以任意组合,详细请咨询客服。可在标准产品上进行非标定制,请咨询客服。

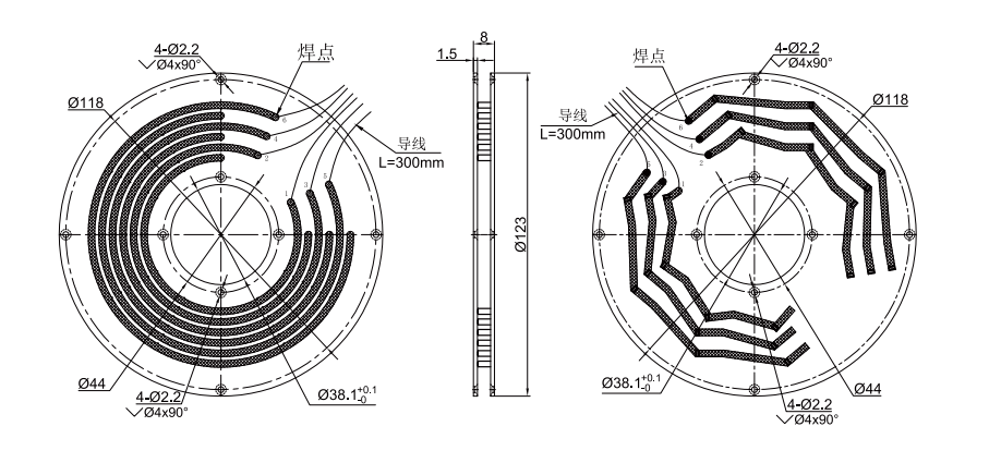
MPCB038C总环数6尺寸图


MPCB038C总环数12尺寸图


同系列更多产品参考:
获取产品3D图纸
X

经过多年的经验积累,尊龙凯时拥有20万多个产品3D图档数据库,
由于互联网的开放性和同行竞争,需要产品3D图档的客户请留下电子邮箱或者QQ。

审核完联系方式后,我们的系统将在5分钟内把3D自动发动到您的电子邮箱!