尊龙凯时

MFO400A系列 4通道光纤/光电滑环(光纤旋转接头)
MFO400A系列 4通道光纤/光电滑环(光纤旋转接头)
  • ·MFO400A 4进4出光纤旋转接头|4进4出光纤滑环(支持单模/多模)在进行360度无限制旋转的时候无损传输数据。特别适合应用在需要无限制的,陆续在或断续旋转, 同时又需要从固定位置到旋转位置传送大容量数据、信号的场所,能改善机械性能,简化系统操作,避免因活动关节的旋转对光纤造成损害。
  • MFO400A具有以下特点:
  • · 插入损耗小,转速高
  • · 无接触、无摩擦,寿命长,单芯可达1亿转以上
  • · 体积小、重量轻,密封等级高
  • · 光纤传递信号,无泄密,无电磁干扰,可以远距离传输

典型应用:

光纤/光电滑环是现在工业滑环里面技术难度最高的的一个系列产品,主要应用于360度陆续在旋转且需要保证电源,光纤信号不能中断的场合:如高端机器人、高端物料输送系统、军用车辆上的转动炮塔、远程控制系统、雷达天线、光纤传感等转台(速率台)的高速视频、数字、模拟信号的传输和控制、医疗系统、视频监视系统、保障国家或国际安全系统海底作业系统、紧急照明设备、机器人、展览/显示设备、医疗设备等;

型号订购说明:

技术规格参数
指标名称类型
单模(SM)多模(MM)
带宽(nm)±50
最大插入损耗,23℃(dB)43.5
插入损耗波动(dB)21
回波损耗(dB)≥50(APC)≥40(PC)
最大输入功率(W)0.5
重量(g)200
最高转速(rpm)250
预估寿命>20亿转
工作温度(℃)-45~85
贮存温度(℃)-50~85
防护等级IP54


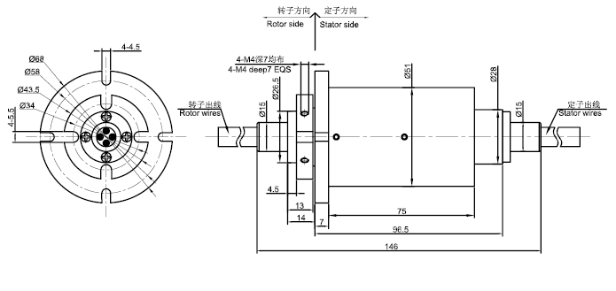
标准图纸

获取产品3D图纸
X

经过多年的经验积累,尊龙凯时拥有20万多个产品3D图档数据库,
由于互联网的开放性和同行竞争,需要产品3D图档的客户请留下电子邮箱或者QQ。

审核完联系方式后,我们的系统将在5分钟内把3D自动发动到您的电子邮箱!